- Neu
ZODIAC
Referenz 000FP0081
Die Zodiac MS Filteranlagen stehen für zuverlässige Leistung und einfache Pflege. Sie garantieren kristallklares Wasser und eine ausgezeichnete Wasserqualität für Ihren Pool.
Die Zodiac MS 470 Sandfilteranlage bietet eine zuverlässige und effiziente Filterlösung für Ihren Pool. Sie sorgt für kristallklares Wasser und eine gleichmäßige Zirkulation, sodass Sie unbeschwert baden können.
Langlebig und robust: Der Tank der MS-Filter besteht aus glasfaserverstärktem Polyester und ist laminiert. Dadurch ist er besonders widerstandsfähig und langlebig.
Effiziente Filtration: Die Zodiac MS kann mit verschiedenen Filtermedien betrieben werden: Zodiac® Crystal Clear Glas für eine Filtration bis 20 Mikron oder klassischer Sand je nach Wunsch und Anforderungen.
Einfache Wartung: Die transparente Abdeckung ermöglicht eine schnelle Kontrolle des Filters. Dank des Multiport-Ventils lässt sich der Filter leicht rückspülen. Außerdem kann er über den großen Doppelabfluss am Boden einfach entleert werden ideal für die Überwinterung oder den Filtertausch.

| MODELLE | MS 470 | MS 530 | MS 650 | MS 800 | MS 950 |
|---|---|---|---|---|---|
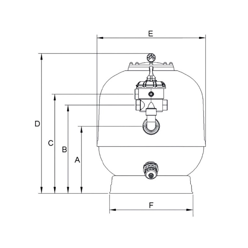
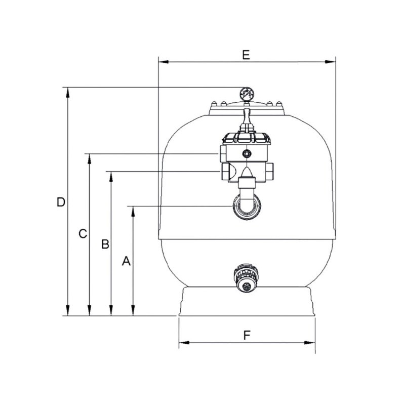
| Freiraum unter dem Ventil (mm) | 310 | 320 | 375 | 390 | 420 |
| A (mm) | 340 | 350 | 405 | 430 | 460 |
| B (mm) | 465 | 475 | 530 | 660 | 690 |
| C (mm) | 529 | 539 | 594 | 736 | 766 |
| D (mm) | 705 | 745 | 815 | 984 | 1027 |
| E (extern, mm) | 475 | 532 | 645 | 798 | 950 |
| E (intern, mm) | 450 | 510 | 635 | 770 | 920 |
| F (mm) | 347 | 400 | 490 | 625 | 705 |
| MS 470 | MS 530 | MS 650 | MS 800 | MS 950 | |
|---|---|---|---|---|---|
| Referenz | WF000094 | WF000095 | WF000096 | WF000097 | WF000098 |
| Externer Tankdurchmesser (mm) | 475 | 532 | 645 | 798 | 950 |
| Max. Durchflussrate (m³/h)* | 8,0 | 10,2 | 15,8 | 23,3 | 30,0 |
| Filterfläche (m²) | 0,16 | 0,2 | 0,32 | 0,47 | 0,66 |
| Filtermedium Sand (kg) | 85 | 100 | 160 | 310 | 485 |
| Filtermedium Glas grob (kg)** | 15 | 15 | 30 | 45 | 60 |
| Filtermedium Glas fein (kg)** | 60 | 75 | 105 | 225 | 345 |
| Filterleistung (m³/h, V=50 m³/h/m²) | 8,0 | 10,2 | 15,8 | 23,3 | 33,2 |
| Anschlussdurchmesser | 1 ½ | 2" | |||
| Gewicht (kg) | 15 | 18 | 21 | 36 | 58 |
| Betriebsdruck (bar) | 0,2 - 0,8 (variable Pumpe) / 0,4 - 1,4 (einzelne Geschwindigkeitspumpe) | ||||
| Max. Druck (bar) | 2,5 | ||||
| Wassertemperatur |
Referenz:
WF000094
Zodiac MS Sandfilteranlage mit 6 Wege Ventil Sandfilter Seitlicher Ausgang Modell | Durchmesser - MS 470 | Ø475 mm
642,99 €
Referenz:
WF000095
Zodiac MS Sandfilteranlage mit 6 Wege Ventil Sandfilter Seitlicher Ausgang Modell | Durchmesser - MS 530 | Ø532 mm
696,00 €
Referenz:
WF000096
Zodiac MS Sandfilteranlage mit 6 Wege Ventil Sandfilter Seitlicher Ausgang Modell | Durchmesser - MS 650 | Ø645 mm
908,99 €
Referenz:
WF000097
Zodiac MS Sandfilteranlage mit 6 Wege Ventil Sandfilter Seitlicher Ausgang Modell | Durchmesser - MS 800 | Ø798 mm
1.196,00 €
Referenz:
WF000098
Zodiac MS Sandfilteranlage mit 6 Wege Ventil Sandfilter Seitlicher Ausgang Modell | Durchmesser - MS 950 | Ø950 mm
1.482,99 €
chat
Kommentare (0)
Ähnliche Artikel
| ||||